根据《网络安全法》规定,账号需要绑定手机号才可以使
用评论、发帖、打赏。
请及时绑定,以保证产品功能顺畅使用。
邪门歪“套” 冬季骑行手套怎么选?
虽然我们与西伯利亚无冤无仇,但遥远的异国冷空气仍然年复一年打乱我们的冬训计划。冬天冻手不但痛苦,而且僵硬的手指不利于操控,甚至会带来巨大的安全隐患,市面上的冬季骑行手套花样繁多,有些强调保暖性能,有些能够防风防雨,一些厂商声称他们采用的黑科技材料集轻薄、透气、保暖、防风、防水、速干于一身,简直刀枪不入,水火不侵,吓尿了……下面小编就根据多年被坑的惨痛经验,和大家聊聊挑选冬季骑行手套的那些事。
关于保温

▲Castelli ESTREMO手套,以优良的保温性能著称
增加保温层的厚度会来带更优秀的保温效果,同时也会让手套更加笨重,操作刹车和变速拨杆要比平时更加困难,薄如蝉翼又能防风透气锁住温暖的手套小编到目前还没有体验过,如果真的有,大概会出现在极地科考队员的手上吧。运动过程中,人体不断散发热量,大家在看中保温效果的同时千万不要忽略手套的排汗性能,没有排汗性能的运动手套是毫无舒适性可言的,不信邪的车友可以带上洗碗用的橡胶手套出门刷几圈,答案自会揭晓。
防水+防风+透气真的能实现吗?
冬季户外骑行谁都不想脆弱的双手被雨雪沾湿,那么,防水防风又透气的材料真的存在吗?
骑行手套的防水主要是通过两种途径实现,一种是在面料上喷涂防水涂层,最典型的代表就是TPU涂层,这种方式价格低廉,首次使用效果还不错,然而这种涂层的化学性质极其不稳定,容易皲裂、剥落,且透气性能差,是低价高能产品的惯用伎俩,这就是为什么某宝的买家秀反馈惊艳,但自己买回去用一段时间发现不是那么回事。

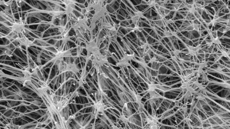
▲电子显微镜下的ePTFE薄膜
另一种是通过防水薄膜来实现,这类薄膜有许多比水分子大比水滴小的微孔,这样的微孔水滴无法穿透,但是汗气却可以以分子的形式从微孔溜走,这样就实现了防水透气的效果,然后将多层薄膜压合在一起,微孔无序排列,外部的冷风在穿过薄膜时被分散,无法直接穿过“微孔迷宫”从而达到防风的目的。但目前这类薄膜技术掌握在少数几家国外公司手中,材料价格高昂。
尽管不太体面,但橡胶手套有时能保命

这是今年骑闯天路挑战赛上的一张照片,在极端的雨雪环境下,橡胶手套虽然不太体面,但能够百分百防水防风,被老司机们评为川藏线上的最便宜实用的神器,小编也曾受过橡胶手套的恩惠。但橡胶手套不保暖,不透气,建议在里面戴一层薄抓绒手套,起到吸汗保暖的目的。
腕口很重要

▲BOA旋钮紧缚配合加长腕口设计,“百毒不侵”
腕口以及手套的包裹紧密度是很多车友在选择手套时容易忽略的地方,一款靠谱的冬季骑行手套腕口部位应该加长,同时应有弹性收紧设计,这样既能防止雪粒进入手套,同时也能增强手套的防风保暖性能。相比传统的尼龙搭扣,上图中的BOA旋钮包裹度显然更好,当然也更贵。
合不合手,戴了才知道

▲Castelli官网给出的尺码推荐表
衣服合不合身,只有穿上才知道。手套也一样,以Castelli为例,Castelli手套男款提供XS-XXL六个尺码,女款提供XS-XL五个尺码,按掌围来划分,尽管尺码已经相当丰富,但每个人掌型都有差异,即便是掌围相同的两只手,手指长短和粗细也不会一样,因此选购手套最好还是能亲自试戴。如果是网购的话,收货后不要急于剪下吊牌,试戴后发现不合适,在不影响二次销售的前提下是可以退换的。
邪门歪套?

▲Rapha龙虾手套,保暖防风都杠杠的,只是外形不敢恭维

▲这个……无敌了
冬季暖手又暖心,美骑易购Castelli蝎子手套传送门(点击可打开)
责任编辑:张大法师
上一篇:这些都做不到 还怎么好好夜骑
下一篇:返回列表

大冬天连指手套才能真正保暖,rapha真正考虑到了,话说冷到链条都能冻凝的程度刹车早罢工了
链条结冰蹬几圈就好了,刹车零下20度都没罢工,只不过回弹慢一点
+1
22一字米强无敌 合利兄弟的X猫店在抛售
+1
22广州这两天骑车还是短袖短裤..
+1
22
公路车爱好者,对爬坡有着狂热的执著。“怎么吃都不胖”,也许是自行车方面唯一的天赋。曾经奔波于内地各种爬坡赛场,现在喜欢用文章交流关于自行车的想法。喜欢改装,玩车即折腾。维修信条是:从结构上解决问题。由于对骑游天气的神预测荣获大法师称号,期待一场真正的休闲骑!
广州美骑网络科技股份有限公司
Magic Cycling Corp.2002-2026 All Rights Reserved.
粤公网安备 44010602000377号
粤ICP备12045810号