根据《网络安全法》规定,账号需要绑定手机号才可以使
用评论、发帖、打赏。
请及时绑定,以保证产品功能顺畅使用。
欧洲培训(上)ISO/EPAC加严测试——探秘Pon.Bike德国荷兰测试生产中心
美骑编者按:刘日伟7月份去德国荷兰进行了为期两周的自行车专业测试的学习培训。本文将分为两篇发布,上篇主要讲述此次培训的内容,下篇主要分享德国城市骑游体验。
一、培训内容
1.测试标准:ISO4210测试标准、DCW内部加严测试标准、Gazelle内部加严测试标准。
2.测试学习:测试设定、机器设定及测试问题的交流学习。
二、行程安排
7/1-7/2 香港飞慕尼黑转不来梅,德国同事接机
7/2-7/6 & 7/11-7/13 Derby Cycle培训
7/7-7/8 周末
7/9-7/10 Gazelle培训
7/14-7/15 不来梅飞慕尼黑转香港


Derby Cycle Werke Gmbh(简称DCW,部分供应商会音译成“达比”)在克洛彭堡的工厂以测试、组装为主,当然像Kalkhoff的开发团队也都在这里办公。厂内左边进去就是自行车路试的赛道,Focus、Cervelo、SantaCruz的部分车子也会在这里组装后发往欧洲各地经销商店里。

▲既然来到这里当然也不能免俗地来个游客照

▲关于Pon Bike Ride on展(←点击查看美骑相关介绍)

▲Kalkoff其实是很老牌的德国自行车了,创立于1919年。

▲Derby Cycle 工厂内有粉体涂装自动线

▲经过至少三次涂装烘、烤后才进入到贴标线

▲底漆→色漆→贴标→清漆的基本标准流程,工人进行下叉部位的贴标工作

▲在这里装配的品牌还有Focus、Univega,Derby Cycle旗下的子品牌,另外还有少量的Cervelo和SantaCruz

▲在单独的装配车间里会有专门的技师独立完成Cervelo P5X的组装工作

Derby Cycle的测试标准远高于ISO4210及电助力车测试标准EPAC。图示为车架座管垂直力疲劳测试,电助力城市车XXL标准测试1850N/1000次+1200N/10万次【EPAC:1100N/10万次】。

车架的踩踏力疲劳测试,山地车标准为1200N/10万次【ISO4210:1200N/5万次】,电助力城市车XXL标准2050N/100次+1000N/10万次【EPAC:1000N/10万次】。

车架水平力疲劳测试山地车执行ISO4210标准+1200N/-600N,5万次;电助力城市车XXL标准为±1200N/100次,之后再执行±600N/10万次(前驱车架)、±500N/10万次(中驱和后驱车架)【EPAC标准:±600N/10万次(前驱车架)、±500N/10万次(中驱和后驱车架)】

▲DCW的疲劳测试机器都会采集受力的实时数据,以便对测试机器设定进行调整以符合标准

▲车架的落重冲击测试跟EPAC一样的高度360mm、车架负重90kg(头管10kg、五通曲柄各25kg、座管30kg)前摔测试高度300mm/1次。

▲之后再执行单独的5次车架负重后摔测试(ISO4210及EPAC都没有此要求)

▲前叉弯曲疲劳测试

▲成品轮组耐高压测试

自编轮组的测试会在Derby cycle内部进行,作用在轮组上向下的力是640N,滚筒上装有10mm厚的台阶块模拟路上的颠簸,滚筒的直径在500mm-1000mm之间,然后模拟25km/h(±10%)的速度进行至少75万次的冲击测试。Derby cycle内部执行更严苛的标准:更高的台阶高度(10/14/18/22mm可选)、更长的疲劳测试(60小时总共1500km)。

▲轮组滚筒疲劳测试模拟负重下在颠簸路面行驶的轮组的工况

▲经受住轮组疲劳测试后还要对轮组进行辐条张力等参数做记录

▲接下来还有整车负重滚筒震动测试,模拟颠簸路面完成2万公里的测试。

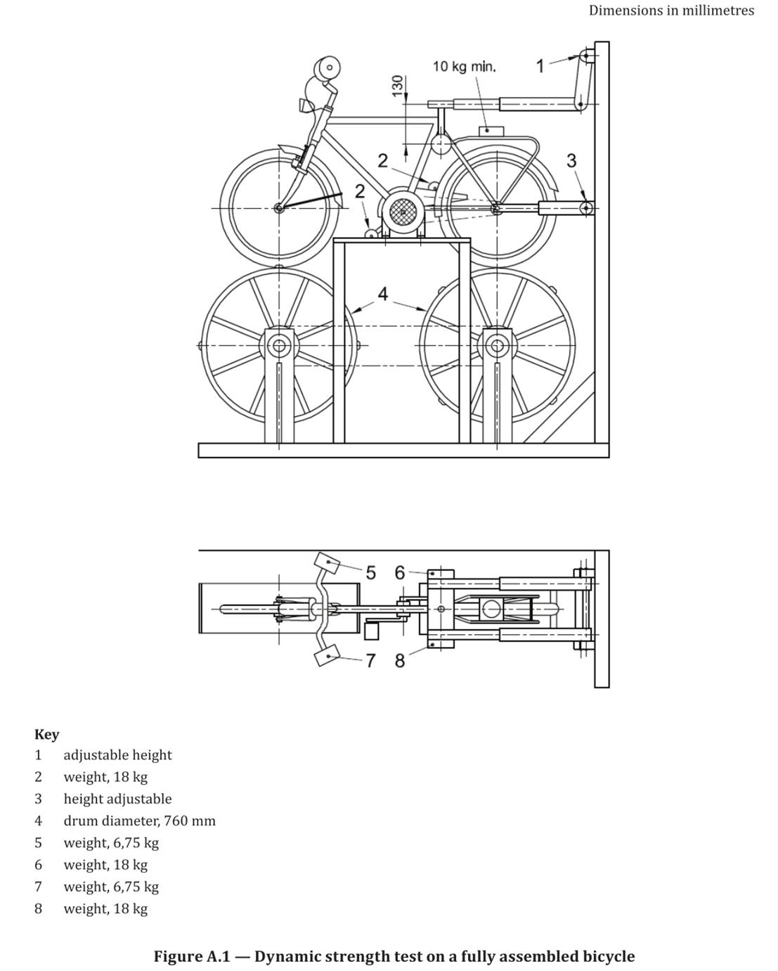
整车的荷重动态测试:座管处2*18kg、曲柄处2*18kg、车把处2*6.75kg,后货架有三个等级的重量10kg、18kg和25kg,滚筒上装有10mm厚的台阶块模拟路上的颠簸,滚筒的直径在500mm-1000mm之间,然后模拟8km/h(±10%)的速度进行至少6小时不间断测试。(见ISO4210-3:2014, Annex A)。

▲整车负重震动测试看起来像是自行车在跳舞,其实这对于自行车来说是一种酷刑。

整车负重耐久滚筒测试,不同的台阶模拟不同的颠簸路况, ISO4210要求10mm的高度,DCW内部加严的测试要求不同台阶高度为10mm、12mm、20mm、24mm、30mm、36mm。而且负重也有加严:座杆处52kg,曲柄处36kg,首管处14kg;测试的速度为15-16km/h。

▲整车的刹车系统测试(见ISO4210-4:2014 4.6.4项及EN15194标准里4.3.5.9项)

▲定制刹把治具模拟刹把处给定的刹车力

▲整车刹车系统测试,此时测试的是后刹

▲车把疲劳测试(见ISO4210-5:2014, 4.9项),Derby Cycle在满足ISO标准的前提下还会旋转25°对车把进行疲劳测试。

▲座杆疲劳测试城市车标准1200N/10万次+1500N/1万次【ISO4210:1000N/10万次】

▲货架负重疲劳测试

▲车架负重震动测试

▲由于英语不是德国人的母语,所以德国同事也打印了一份这样的自行车用英文单词表贴在办公室墙上
Royal Dutch Gazelle荷兰皇家自行车,自1892年成立至今已拥有超过百年历史(←Gazelle 125周年视频),100%荷兰设计、组装,从每个细节、零件都能看出百年来的坚持与传承。Gazelle更获得荷兰皇室勋章、许多国际设计大奖,被评选出欧洲自行车界唯一最佳信任品牌之荣誉。Gazelle坚持设计舒适的人体工学的自行车,专为穿着西装、女生套装和长裙设计之挡泥板,不再烦恼沾到油污,隐藏式的内变速与完整包覆盖设计,大大减少维修、故障机率,保障高品质的尊荣享受。Gazelle目前以城市车为主,每年设计制作销售的自行车接近30万辆,主要市场是欧洲。

▲Gazelle在电助力自行车兴起的时候也适时推出了电助力城市车

▲后置货架电池

▲前置、中置和后置电机驱动模式的电助力自行车可选

▲电助力自行车上内置速度传感器、踏力传感器以及踏力转动传感器

▲车把控制器可以很容易地控制电助力模式

▲搭载的显示屏幕可以清晰地显示速度、里程、电量等多种信息。

▲电助力自行车的电助力模式有常规的变速模式以及自动变速模式

▲通常我们需要自行切换变速挡位进行速度调整,但是电助力自行车还有自动变速模式

▲当侦测到上坡时会自动切到低速挡位来提高输出扭矩

▲当侦测到下坡时会自动切到高速挡位来提高速度

Gazelle会采用目前所有的自行车刹车方式:罗拉刹、液压圈刹、机械圈刹、碟刹,上图展示了刹车力道及维护的便利性以供消费者选择合适的自行车。

前轮驱动的电助力自行车,安静、骑起来像普通的车;中置和后置驱动的电助力自行车扭力更大、操控更好、重心分布更均匀,当然要根据消费者的需求来进行电助力自行车的选择。

▲Gazelle自行车也提供了丰富的扩展孔位来安装婴儿座椅、车篮等
Gazelle目前以设计生产大批量的城市自行车为主,由于电助力城市车的大量生产, Gazelle的测试标准也从ISO4210到EN15149(简称EPAC,电助力自行车测试标准),目前Gazelle所有的自行车(普通城市车及电助力城市车)都采用了Gazelle自订的标准(EPAC标准的加严版本,简称EPAC+)。将来有空可以写几篇文章介绍自行车车架和前叉的测试标准。

车架疲劳测试:水平力测试±700N/10万次【EPAC ±600N/10万次(前驱车架)、±500N/10万次(中驱和后驱车架)】、踩踏力测试1100N/10万次【EPAC 1000N/10万次】、座管垂直力测试1300N/10万次【EPAC 1100N/10万次】。
车架冲击测试跟EPAC一样:落重冲击测试高度360mm、车架负重90kg(头管10kg、五通曲柄各25kg、座管30kg)前摔测试高度300mm/2次。

自编轮组的测试也会在Gazelle内部进行,作用在轮组上向下的力时640N,滚筒上装有10mm厚的台阶块模拟路上的颠簸,滚筒的直径在500mm-1000mm之间,然后模拟25km/h(±10%)的速度进行至少75万次的冲击测试。

▲Gazelle的测试房,这里放一个视频介绍Gazelle的测试(←点击直达)

▲在整车的不间断骑行测试台上需要完成18000km的测试

荷重整车动态测试:座管处2*18kg、曲柄处2*18kg、车把处2*6.75kg,后货架有三个等级的重量10kg、18kg和25kg,滚筒上装有10mm厚的台阶块模拟路上的颠簸,滚筒的直径在500mm-1000mm之间,然后模拟8km/h(±10%)的速度进行至少6小时不间断测试。

▲图示为Gazelle的荷重整车动态测试。右后方是Gazelle内部的HCF测试机台,模拟踩踏里高频作用下车架的状况

▲Gazelle内部的整车震动测试,一般测试24小时

▲震动测试一般都会要求装配规格表中的所有零部件,标配以外的东西不会出现(如前货架等)

▲整车盐雾试验需要不间断地进行7天,模拟2年中室外风霜血雨状况下零部件的腐蚀状况

▲这个盐雾试验机可以放入两台整车进行测试(←点击查看视频)

▲电池的高压水泡测试

UV测试主要针对塑料类、电镀表面的零件,进行长达500小时的紫外线测试来模拟产品在户外受太阳光照射脱色的状况,最终的结果看零件是否会脱色/变色来判定零件是否合格。

▲整车路试,包含不同颠簸的路况骑乘测试

▲刹车测试

▲操控性测试

▲整个测试赛道就在装配车间外面。

▲另外品管人员还会随机在生产线上抽取5%的整车进行各种功能性测试,根据Gazelle的产量品管人员要抽验14000辆/年。

▲随机抽验的测试也包含了所有的功能性测试,变速、制动、电子电路测试等。

▲毛胚车架经过传送带进入涂装车架后会进行4道涂装过程

▲包含各种零部件在内,整个粉体涂装车间的产能在100万件/年

▲涂装上线前会有专人进行检视及简单处理,大的瑕疵会下线处理,经过皮膜处理后的车架仍然会存在不良品

▲Gazelle厂内的粉体涂装的喷涂自动线

▲自动喷涂不到位的地方需要人工喷涂

▲两层色漆,每层色漆都要进行烘烤

▲Gazelle厂内每年需要消耗70吨的涂料

▲特殊的部位还要进行人工上色

▲两层色漆之后再喷涂一层清漆

▲Gazelle装配工厂去年完成了27.5万辆车的装配

▲意味着需要55万个以上的轮组

▲Gazelle的轮组都是在厂内自编的

▲通过人工穿辐条,然后进入编轮机器自动化作业

▲轮组的各种矫正工作都由机器完成

▲半自动化装内外胎

良好的预组装部件是最终装配线能顺利运行的关键,每天前叉预组装部门都要完成900支前叉。

▲每年消耗掉344km的链条来适配不同的整车

▲整车的线管、油管也都是要预组装

▲整个预组装车间的位置也相当的庞大

▲3条装配线,每30秒可以流出一辆整车

▲每条组装线的组装站点由25位熟练师傅操作,完整地装配出一辆辆整车。

▲装配好的Gazelle整车就被发往各地的零售店

▲Gazelle N°1概念车(←这里有详细的视频介绍)

▲前后全碳纤维碟刹轮组(←点击直达详细的制作视频介绍)

▲全碳纤维车架,中置电池、助力电机

▲挡泥板内置前后灯,后挡泥板灯同时兼具刹车灯功能。

▲前挡泥板也内置了行车灯

▲车把手机支架可以放置大显示屏,也可以放置个人的手机

▲屏幕支架下面是骑行前大灯

▲曾经出过一段时间的公路车,这台是老款的概念车
责任编辑:Cathy
下一篇:返回列表